股票配资资讯第一门户网站-网上炒股加杠杆可靠吗是真的吗-【东方资本】,什么叫杠杆投资中航资本如何,今日财经新闻最新头条,配资被骗了报警有用吗

Z-Arm 4160B

首頁 / 四軸協作機械臂 / Z-Arm 4160B
  • 臂長:600mm
  • 重復定位精度:±0.02mm
  • Z軸(高度)可定制范圍: 0.1m~0.8m
  • 最大負載: 5KG
  • 支持硬急停、調試/在線升級(USB口)
  • 臂長:600mm
  • 重復定位精度:±0.02mm
  • Z軸(高度)可定制范圍: 0.1m~0.8m
  • 最大負載: 5KG
  • 支持硬急停、調試/在線升級(USB口)

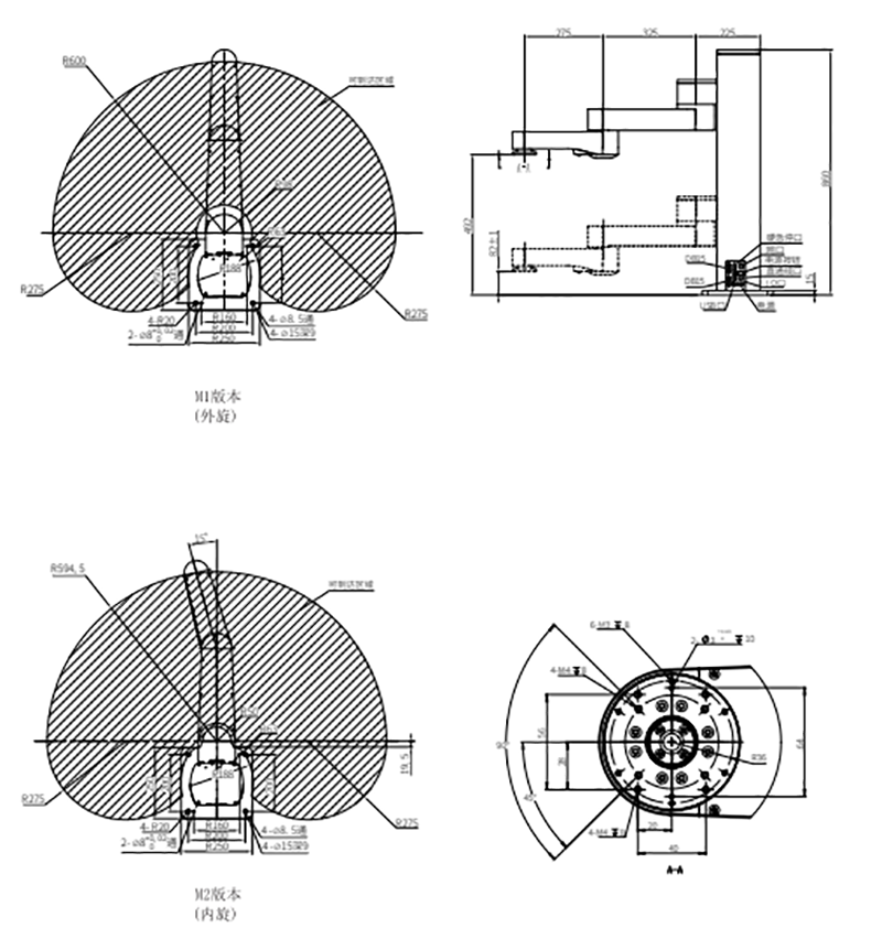
Z-Arm-4160B 核心參數

1軸臂長 325mm
1軸旋轉角度 ±90°
2軸臂長 275mm
2軸旋轉角度/td> ±164°(選配:15°~345°)
Z軸行程 410mm(高度可定制)
R軸旋轉范圍 ±1080°無機械限位/±170°有機械限位
線速度 2000mm/s(負載4kg)
重復定位精度 ±0.02mm
標準負載 4kg
最大負載 5kg
自由度 4
電源 額定功率2000W;輸入電壓110-220V(50-60HZ);
輸出電壓:DC 48V
通訊 Ethernet
Z軸可以定制高度 0.1m~0.8m
電器預留接口 標配:插座面板直通小臂下蓋板2根4*23awg(無屏蔽層)線
可選配:插座面板直通法蘭2根Φ4氣管
使用環境型 溫度:0~45℃ 濕度:20~80%RH(不結霜)
I/O口 數字量輸入(隔離) 9+3+小臂擴展(8進8出;夾爪專用端口:脈沖或485)
I/O口 數字量輸出(隔離) 9+3+小臂擴展(8進8出;夾爪專用端口:脈沖或485)
I/O口 模擬量輸入(4-20mA) /
I/O口 模擬量輸出(4-20mA) /
整機高度 860mm
主機重量 410mm行程裸機重量約36.5kg
底座外形尺寸 250*250*15mm
底座固定孔位間距 200*200mm配四個M8*20螺絲
碰撞檢測 /
拖動示教 /
硬急停
調試/在線升級(USB口)
出現規格 AC線&DC線:2米、不能走拖鏈
節拍時間 1.431s

備注:由于產品不斷推新迭代,產品參數如有變更,恕不另行通知。

相關產品