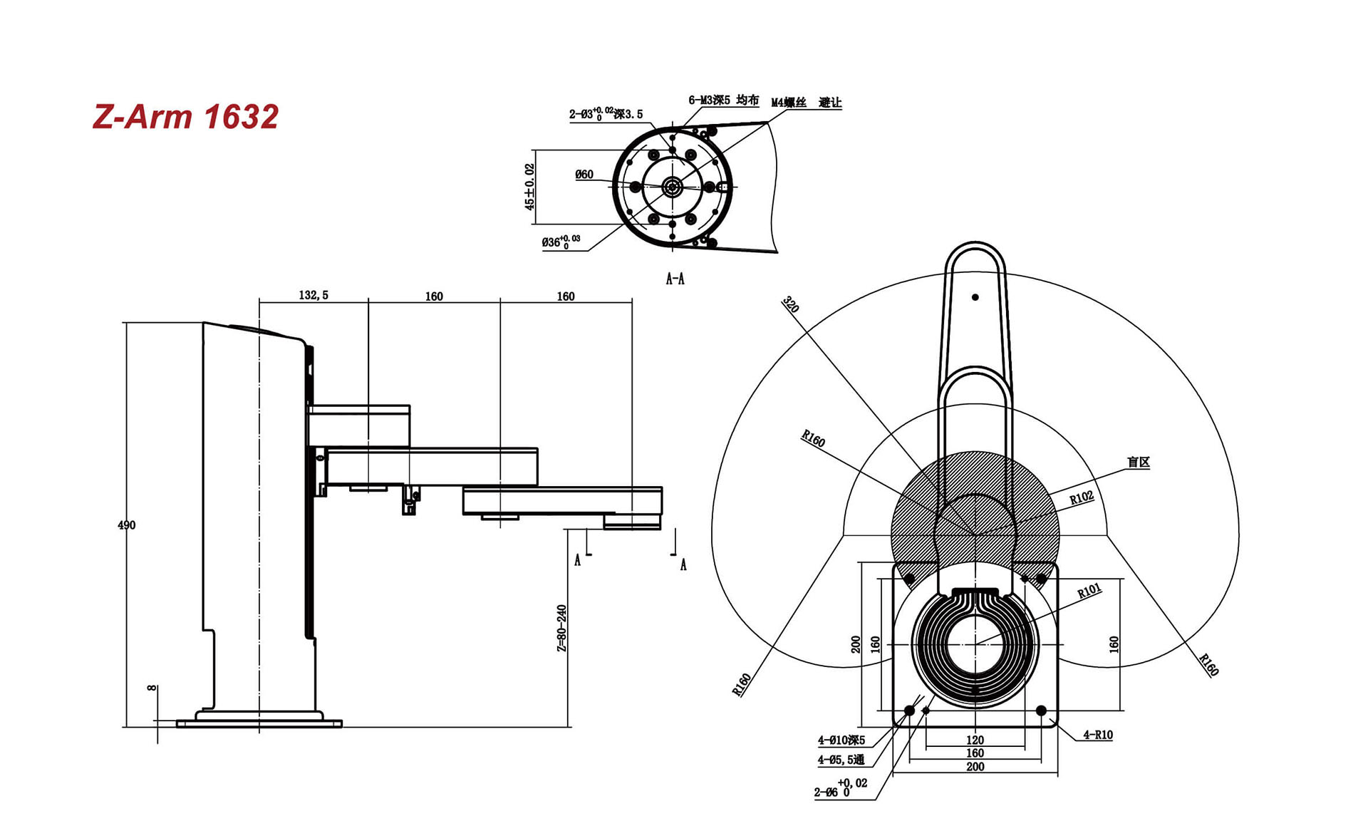
Z-Arm 1632 核心參數
| 320mm |
160mm |
| 臂長(1軸 + 2?軸) |
Z?軸行程 |
| *范圍尺寸圖 |
 |
可靠的精度
HITBOT Z-Arm 1632得益于自行開發的伺服電機,精密的光學編碼器和定制的驅動器算法,可將重復精度保持在±0.02mm。用戶將永遠不必擔心在其工作范圍內發生任何可能的錯誤-手臂伸直至320mm,Z軸伸直至160mm。
體積小,適合桌面級自動化
HITBOT Z-Arm 1632的緊湊設計(250x250x490mm)使它幾乎可以放置在適合的任何位置,例如在生產線的拐角處或靠近其他機器。Z臂1632重量僅為10千克,也很輕便,可以根據特定的制造需求輕松部署/重新部署。
簡單編程,20分鐘輕松搞定!
HITBOT Z-Arm 1632十分智能,只需將臂拖放到特定點或在HitbotStudio APP中設置規格,就無需編程經驗的操作員即可完成編程過程,總共僅需20分鐘。
人機協作
HITBOT Z-Arm 1632是一款智能協作機器人,不僅可以替代沉悶和重復勞累的工人,而且還可以與工人合作以提高效率。它支持碰撞檢測以減少潛在事故。同時確保生產率和安全性!
開箱即用
HITBOT將Z-Arm 1632打包為現成的機器, 整機發貨。用戶可以立即使用HITBOT Z-Arm進行自動化生產操作。插入并打開電源,工作臺上的生產率立即提高!
多種用途
HITBOT Z-Arm 1632絕對是一種多功能臂,擅長在各種布局和不同行業中處理事務,例如視覺分揀,組件裝配,電子焊接等。
接口面板使用功能
圖1接口定義說明
① J1為電源開關接口,用于控制電源通斷。
② J2為電源輸入口,24V直流電壓源輸入。
③ J3為IO輸出口,內部9組光耦隔離NPN輸出。
④ 為脈沖控制輸入。
⑤ 為內部電源 GND。
⑥ J6為以太網口,用于電腦上位機通訊
⑦ J7為IO擴展口,內部3組共地光耦隔離輸入
B處小端臂下側接口控制Z-EFG-20/Z-EFG-8電爪示意圖
圖2
圖2接口定義說明
① 為內部輸出方向控制。
② 為內部電源 24V輸出。
③ 為內部控制脈沖輸出。
④ 為脈沖控制輸入。
⑤ 為內部電源 GND。
應用場景