Z-Arm 1832 產品優勢
高精度 |
Z軸定制 |
重復定位精度
±0.02mm |
0.1-0.5m |
大臂展 |
高性價比 |
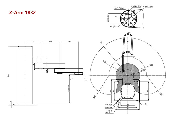
J1軸160mm
J2軸160mm |
工業級品質
消費級價格 |
運動范圍尺寸圖 |
 |
Z-Arm 1832 規格參數
詳情 |
1軸臂長 |
160mm |
1軸旋轉角度 |
±90° |
2軸臂長 |
160mm |
2軸旋轉角度 |
±143° |
Z軸行程 |
180mm(高度可定制) |
R軸旋轉范圍 |
±1080° |
線速度 |
1017mm/s(負載0.5kg) |
重復定位精度 |
±0.02mm |
標準負載 |
0.5kg |
最大負載 |
1kg |
自由度 |
4 |
電源 |
額定功率:500W;輸入電壓:110V-220V(50-60HZ);輸出電壓:DC 24V |
通訊 |
Ethernet |
Z軸可以定制高度 |
0.1m~0.5m |
電器預留接口 |
/ |
使用環境型 |
溫度:0~45℃ ;濕度:20~80%RH(不結霜) |
I/O口 數字量輸入(隔離) |
9+3 |
I/O口 數字量輸出(隔離) |
9+3 |
I/O口 模擬量輸入(4-20mA) |
/ |
I/O口 模擬量輸出(4-20mA) |
/ |
整機高度 |
500mm |
主機重量 |
180mm行程裸機重量約11kg |
底座外形尺寸 |
200*200*10mm |
底座固定孔位間距 |
160*160mm配四個M5*12螺絲 |
碰撞檢測 |
√ |
拖動示教 |
√ |
硬急停 |
√ |
調試/在線升級(USB口) |
√ |
出線規格 |
AC線&DC線:2米、不能走拖鏈 |
節拍時間 |
2.28s |
備注:由于產品不斷推新迭代,產品參數如有變更,恕不另行通知。