股票配资资讯第一门户网站-网上炒股加杠杆可靠吗是真的吗-【东方资本】,什么叫杠杆投资中航资本如何,今日财经新闻最新头条,配资被骗了报警有用吗

Z-Mod-LRA-25-25

首頁 / 智能電缸 / Z-Mod-LRA-25-25
  • 微米級行程分辨率、重復定位精度,力控精度±3g
  • 力、位置、速度都可通過Modbus精準控制
  • 高速高頻,精密組件可達億次循環,超越傳統運動模組
  • 控制方式:485、I/O、脈沖
  • 驅動外置,驅動體積小,輕薄易用,參數可調
  • 滑塊結構、精度高、速度快
  • 微米級行程分辨率、重復定位精度,力控精度±3g
  • 力、位置、速度都可通過Modbus精準控制
  • 高速高頻,精密組件可達億次循環,超越傳統運動模組
  • 控制方式:485、I/O、脈沖
  • 驅動外置,驅動體積小,輕薄易用,參數可調
  • 滑塊結構、精度高、速度快

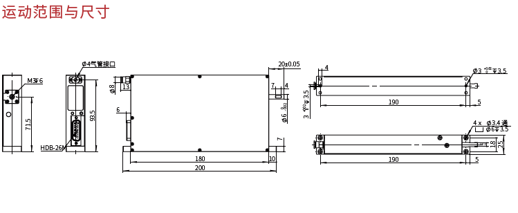
Z-Mod-LRA-25-25 核心參數

產品型號 Z-Mod-LRA-25-25
行程 25mm
空載頻率 30Hz
持續推力 8N
峰值推力 12N
直線行程分辨率 0.001mm
重復定位精度 ±0.005mm
力控精度 ±3g
旋轉重復精度 ±0.02 °
旋轉最大力矩 0.072N·m
旋轉最大速度 2000RPM
整機重量 980g
尺寸規格 180*100*25mm
控制方式 I/O控制、脈沖控制、485總線控制
適用控制器 Z-Mod-DCIC-4
工作電壓 DC24V±10%
額定電流 (直線)1.2A,(旋轉)1A
峰值電流 (直線)2.2A,(旋轉)2.5A
防護等級 IP40
使用環境 0~40℃,85% RH以下(不結霜)

備注:由于產品不斷推新迭代,產品參數如有變更,恕不另行通知。

線性旋轉執行器

相關產品